Contingut no disponible en valencià

Us trobeu en

Documento BOE-A-1981-28235

Resolución de 10 de noviembre de 1981, de la Dirección General de Tributos, por la que se aprueban las normas y diseños físicos para sustituir las hojas interiores del modelo oficial 192 por soportes magnéticos legibles directamente por ordenador.

[Disposición derogada]

Publicado en:
«BOE» núm. 291, de 5 de diciembre de 1981, páginas 28579 a 28598 (20 págs.)
Sección:
I. Disposiciones generales
Departamento:
Ministerio de Hacienda
Referencia:
BOE-A-1981-28235
Permalink ELI:
https://www.boe.es/eli/es/res/1981/11/10/(1)

TEXTO ORIGINAL

Ilustrísimos señores:

La Orden de 3 de diciembre de 1979 («Boletín Oficial del Estado» del 29) autoriza a sustituir los respectivos modelos oficiales por soportes magnéticos legibles directamente por ordenador.

En consecuencia, esta Dirección General ha tenido a bien dictar las siguientes instrucciones:

Primera.

Las personas físicas o jurídicas que optasen por presentar la información en soportes legibles directamente por ordenador podrán utilizar cintas magnéticas, de nueve pistas, de 6.250, 1.600 u 800 BPI de densidad, con código EBCDIC, sin etiquetas, con marcas de principio y fin de cinta y con diez de factor de bloqueo. También se podrán utilizan en su defecto «Diskettes» de 250.000 posiciones; conteniendo en su pista ØØ, en el sector Ø8, posición 45, un blanco si toda la información viene en un solo «Diskette»; la letra «C», si la información va en más de un «Diskette» y éste no es el último, y la letra «L», si es el último «Diskette», y en las posiciones 46/47, el número secuencial de volumen.

Segunda.

Las cintas magnéticas y los «Dikettes». llevarán siempre una etiqueta externa en la que se haga constar los siguientes datos:

a) Declaración del modelo 102, hoja «A» o/y hoja «B», según corresponda.

b) Nombre y apellidos o razón social del declarante.

c) Domicilio, municipio, provincia y distrito postal.

d) Ejercicio de la declaración.

e) Número del soporte físico del total que integran la entrega.

f) Número de registros del archivo.

g) Número de pistas, densidad y código EBCDIC (sólo para cintas).

h) Número de teléfono y persona a cuya atención han de devolverse los soportes.

Tercera.

La presentación se realizará en soportes magnéticos independientes, según corresponda a la hoja A o a la hoja B del Modelo 192, de forma centralizada para toda la información de la Empresa, en la Delegación de Hacienda o en el Centro de Proceso de Datos según se consigne en su autorización dentro del plazo vigente de las disposiciones que así lo determinen.

El ingreso de las retenciones, cuando corresponda, se realizará por cualquiera de los métodos autorizados, entregando junto al impreso modelo 120 la fotocopia de la autorización concedida por el Centro de Proceso de Datos y que fue solicitada según la Resolución del «Boletín Oficial del Estado» de 10 de febrero de 1980.

El soporte legible se presentará en el lugar indicado en la antedicha autorización acompañado de:

a) Fotocopia de la autorización, que, una vez comprobada, se retirará.

b) Los tres ejemplares del modelo 192 por cada declarante del soporte, cumplimentada la primera página y en su reverso debe figurar:

1. Tipo de soporte presentado. (Las cintas indicarán pistas, densidad y código EBCDIC.)

2. Número total de soportes presentados por cada modelo de hoja interior.

3. Número de registros totales (incluido el de cola) por cada archivo.

4. Número de teléfono y persona a quien devolver los soportes.

Si algún perceptor no estuviese incluido en el soporte puede ir relacionado en su hoja correspondiente, consignando detrás del último la leyenda «el resto en soporte».

c) Fotocopia del impreso 120 en donde conste el ingreso del cuarto trimestre.

d) La presentación colectiva en un solo archivo de varios declarantes deberá acompañarse, por cada uno de ellos, los documentos exigidos anteriormente junto con tres relaciones alfabéticas en que constarán: Apellidos y nombre o razón social, documento nacional de identidad o cédula de identificación y domicilio completo de todos los declarantes.

Cuarta.

Todas las recepciones del Centro de Proceso de Datos y de las Delegaciones de Hacienda serán provisionales a resultas de su proceso y comprobación, dándose por no presentada cuando no se ajuste al diseño establecido y demás normas reglamentarias.

Quinta.

No se admitirán declaraciones en papel continuo de ordenador, aún cuando sean modelos idénticos al oficial.

Sexta.

Se aprueban los diseños lógicos correspondientes al modelo 192, aprobado por Resolución de 24 de noviembre de 1980 («Boletín Oficial del Estado» de 10 de diciembre), y que aparecen como anexos I al XX, ambos inclusive.

Lo que comunico a VV. II. para su conocimiento y obligado cumplimiento.

Dios guarde a VV. II. muchos años.

Madrid, 10 de noviembre de 1981.‒El Director general, Alfonso Gota Losada.

Ilmos. Sres. Delegados de Hacienda.

Explicación del anexo I

Registro de declarante y/o retentor.

Hoja A del modelo 192.

Imagen: /datos/imagenes/disp/1981/291/28235_16708846_image1.png

Imagen: /datos/imagenes/disp/1981/291/28235_16708846_image2.png

Explicación del anexo II

Registro de declarado o perceptor.

Hoja A del modelo 192.

Imagen: /datos/imagenes/disp/1981/291/28235_16708846_image3.png

Imagen: /datos/imagenes/disp/1981/291/28235_16708846_image4.png

ANEXO VII

«Diskette»

Imagen: /datos/imagenes/disp/1981/291/28235_16708846_image5.png

Explicación del anexo III

Registro 1, en cola. Resumen de los declarados de la hoja A del modelo oficial 192

Imagen: /datos/imagenes/disp/1981/291/28235_16708846_image6.png

ANEXO III

Cinta magnética

Imagen: /datos/imagenes/disp/1981/291/28235_16708846_image7.png

Explicación del anexo IV

Registro 2, en cola. Resumen de los declarados de la hoja A del modelo oficial 192

Imagen: /datos/imagenes/disp/1981/291/28235_16708846_image8.png

Imagen: /datos/imagenes/disp/1981/291/28235_16708846_image9.png

Imagen: /datos/imagenes/disp/1981/291/28235_16708846_image10.png

Explicación del anexo XI

Registro de declarante y/o retentor.

Hoja A del modelo oficial 192

Imagen: /datos/imagenes/disp/1981/291/28235_16708846_image11.png

ANEXO XI

Cinta magnética

Imagen: /datos/imagenes/disp/1981/291/28235_16708846_image12.png

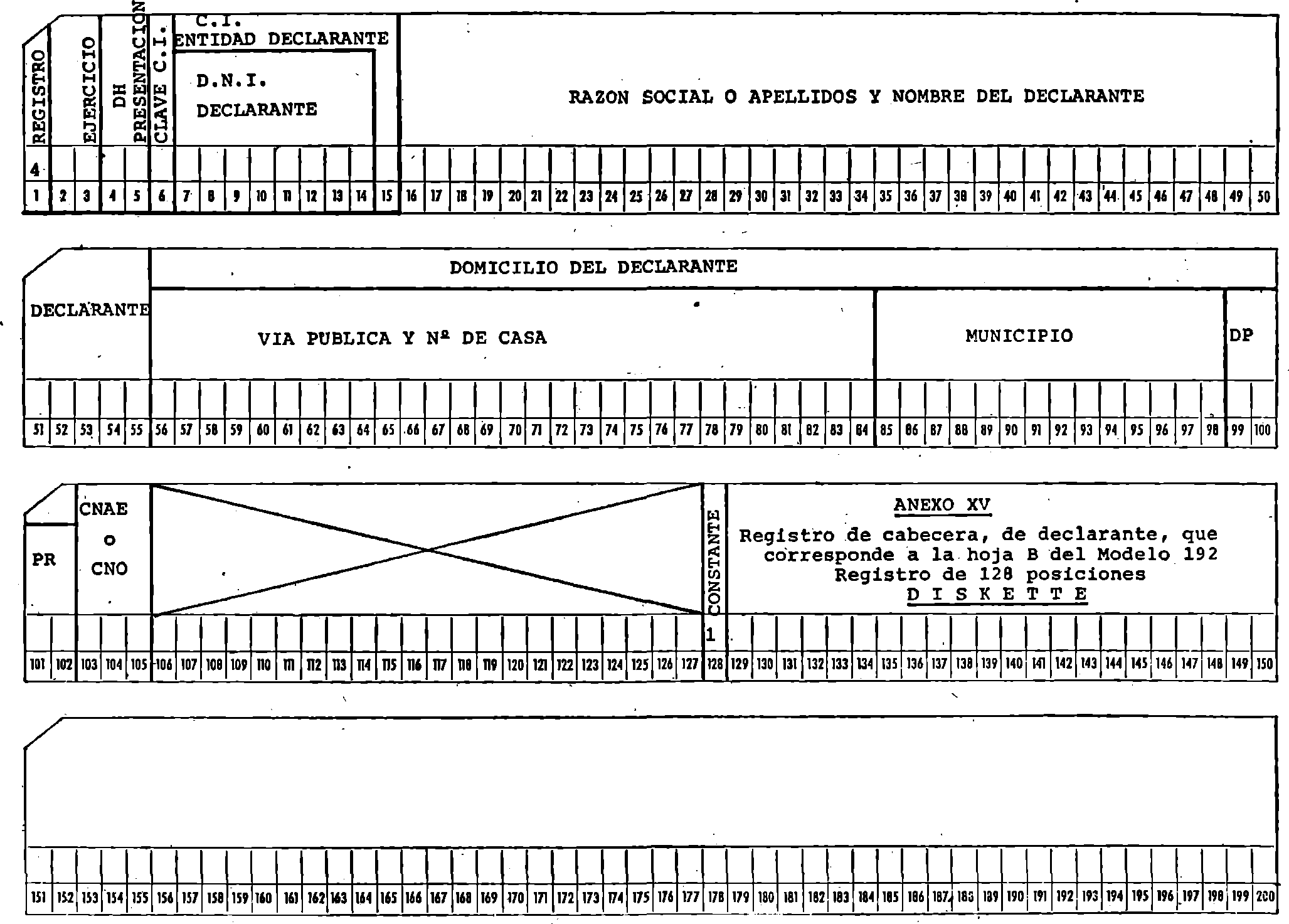
ANEXO XV

«Diskette»

Imagen: /datos/imagenes/disp/1981/291/28235_16708846_image13.png

Explicación del anexo XII

Registro de declarado o perceptor.

Hoja B del modelo oficial 192

Imagen: /datos/imagenes/disp/1981/291/28235_16708846_image14.png

Imagen: /datos/imagenes/disp/1981/291/28235_16708846_image15.png

ANEXO XII

Cinta magnética

Imagen: /datos/imagenes/disp/1981/291/28235_16708846_image16.png

Imagen: /datos/imagenes/disp/1981/291/28235_16708846_image17.png

Explicación del anexo XIII

Registro 1, en cola. Resumen de los declarados correspondientes a la Hoja B del modelo oficial 192

Imagen: /datos/imagenes/disp/1981/291/28235_16708846_image18.png

ANEXO XIII

Cinta magnética

Imagen: /datos/imagenes/disp/1981/291/28235_16708846_image19.png

ANEXO XX

«Diskette»

Imagen: /datos/imagenes/disp/1981/291/28235_16708846_image20.png

Imagen: /datos/imagenes/disp/1981/291/28235_16708846_image21.png

Explicación del anexo XIV

Registro 2, en cola. Resumen de los declarados correspondientes a la Hoja B del modelo oficial 192

Imagen: /datos/imagenes/disp/1981/291/28235_16708846_image22.png

ANEXO XIV

Cinta magnética

Imagen: /datos/imagenes/disp/1981/291/28235_16708846_image23.png

ANÁLISIS

  • Rango: Resolución
  • Fecha de disposición: 10/11/1981
  • Fecha de publicación: 05/12/1981
  • Fecha de derogación: 21/03/1986
Referencias posteriores

Criterio de ordenación:

Referencias anteriores
Materias
  • Impuesto sobre la Renta de las Personas Físicas
  • Impuesto sobre Sociedades
  • Informática
  • Sistema tributario

subir

Agència Estatal Butlletí Oficial de l'Estat

Avda. de Manoteras, 54 - 28050 Madrid